说到网壳结构,首先我们看下定义。“网壳结构是将杆件沿着某个曲面有规律地布置而形成的空间结构体系,其受力特点与薄壳结构类似,是以“薄膜”作用为主要受力特征的,即大部分荷载由网壳杆件的轴向力承受”。(网壳结构稳定性,沈世钊、陈昕等,1999)
.jpg)
▲大英博物馆中庭(伦敦, 2000)
.jpg)
▲MilanoTrade Fair(Milan,2002-2005)
网壳结构的特点
网壳结构的定义有三个关键词:“曲面”、“杆件”、“薄膜作用”。我们从而可以找到网壳结构在结构体系中的位置。
.jpg)
图片来源:“设计中的决策——没有最好,只有最合适”(陈伟 SBP. 建筑结构微信公众号)
网壳受力方式为薄膜作用,属于拱结构向三维的拓展;因此,与拱类似的问题会出现在网壳上。比如:整体稳定问题;不对称荷载敏感等。
.jpg)
▲网壳的各种网格形式
网壳由离散杆件组成,可以看作由连续壳体去除效率低下部分得到,其材料使用更少,但也因此冗余度比较低。网壳结构还需要关注节点的刚度、施工的误差等。
.jpg)
▲单层网壳的常用节点
基于以上特点,我们可以发现网壳结构整体稳定性比较差,冗余度比较低,且对荷载分布方式、节点刚度敏感。所以很多结构工程师不愿意用网壳,而网壳结构也的确出过一些事故。
网壳结构的两个倒塌事故
查尔斯威廉邮政学院穹顶
查尔斯.威廉邮政学院(CharlesWilliam Post College)于1970年建造了一个剧院。屋面采用钢结构穹顶,穹顶直径约52米,由环绕于四周的钢柱支承,钢柱间沿经线均匀布置四十榀钢管桁架。穹顶顶部设钢压力环,底部采用圆形的雨棚作为拉力环。纬向每隔一格布置连续十字交叉支撑。
.png)
▲穹顶结构布置示意图
1978年1月21日凌晨,剧院穹顶却因积雪和结冰导致中心突然凹陷,随即整体倒塌。
.png)
▲倒塌时的荷载分布情形
经过专家组的调查,最主要的原因就是设计时不当地采用过于简化的计算方法——只计算了均布自重及活荷载,而未考虑活荷载不利布置。
当晚,大雪在风力作用下在穹顶上产生了飘移,雪堆积在背风面造成了不均匀荷载。虽然总体雪荷载只有设计总荷载的1/4,但却集中在屋顶表面的1/3区段,不均匀荷载分布造成了倒塌。
.png)
▲结构失稳的示意图
倒塌的另一个原因是,结构工程师在设计时错误的将薄膜理论应用于网格穹顶。设计中并未建立杆系模型来验算其整体稳定性。
布加勒斯特穹顶(Bucharest Dome)
罗马尼亚布加勒斯特穹顶1961年建成,跨度约93.6米,矢跨比约1:5。钢管杆件构成的单层网壳,网格呈等边三角形式,支承在沿圆形周边布置的混凝土柱上。在网格的节点处有三个方向钢管汇交,如何连接?
.png)
▲网壳的三角形网格
工程师设计了一种用金属丝绑扎的方式。这种连接方式使构件都能贯通,大大简化节点构造、节省了组装成本。
.png)
▲钢管汇交节点的节点做法
1963年1月,穹顶在仅仅1/3设计雪荷载的作用下,发生了整体失稳。“穹顶沿着经线方向出现多条波峰波谷,像一个倒转的盘子一样塌了下来,而钢管杆件几乎丝毫未损。”
.png)
▲失稳形态示意图
事故调查表明,穹顶整体失稳有两个主要原因:
1)钢管汇交节点采用的绑扎方式。该方式不能限制杆件间的转动,甚至也可能相对滑动,大大降低了结构的稳定性。
2)根据简化的薄膜理论设计,钢网壳的整体稳定承载力过低。实际需要根据杆件网格进行计算。
.jpg)
▲失稳前(左);失稳后(右)
看到这里,大家可能会想,那网壳结构以后是不是会被淘汰呢?下面我们就来回答这个问题。
网壳结构的未来
说网壳结构,就得从混凝土薄壳开始说起。在20世纪中叶,混凝土薄壳蓬勃发展。EduardoTorroja,Felix Candela,Nicolas Esquillan,Heinz Isler等在世界各地都实践了很多混凝土薄壳作品。他们的壳体纤薄明快,放到现在看也都是建筑与结构融合的精品。
.jpg)
▲混凝土薄壳案例
虽然混凝土薄壳效率很高、外形优美,但现今已基本上淘汰了。究其原因,建造一个混凝土薄壳之前,先要用模板把异形、复杂的曲面搭建出来,而且模板仅能用一次,无法重复利用。
这导致施工需要耗费大量的模板和人工,在20世纪中叶,节省的材料费可以抵消这部分费用。但随着进入21世纪,人工费急速增长,因此,混凝土薄壳结构的经济性急剧下降。
.jpg)
▲单层网壳
于是人们开始用效率更高的单层网壳来代替混凝土薄壳。但网壳同样制作、安装同样比价困难,那网壳发展的方向在哪里呢?
1)杆件的轻型化和标准化。
网架的传力效率高,所以可以用最少的材料来完成覆盖。
同时,如果所有的杆件长度均相同,节点也标准化,那么网架的制造过程将会大大节省。这方面施莱希做了很多探索。
2)利用材料的韧性,将复杂的曲面壳体建造转换为简单的平面网格来制造。
这是Otto在20世纪60年代应用在曼海姆多功能厅的思路。
3)数字化建造的发展。
未来如果机器人参与建造,那么曲面对它们来说不过是一个个节点坐标组合而成。彼时,建造成本将大大下降。
轻型网壳的探索
.jpg)
▲Galleria Vittorio Emanuele II(Milan,1865-1877)
这是一个古老的铸铁网壳,建于19世纪后期。可以看出,这个网壳没有斜杆,它是利用杆件的抗弯能力来抵抗平面的扭转。
提高平面内刚度的直接方式是采用三角形网格。富勒发明了短线呈穹顶,并应用于1967年蒙特利尔国际博览会上的美国馆——一座直径为76m的3/4球形建筑。
.jpg)
▲蒙特利尔世博会美国馆(1967)
三角形网格固然稳定,但是不够通透不够轻。而施莱希想做四边形网格。第一个机会是在Neckarsulm游泳馆。建筑师希望游泳馆的顶盖是球体的一部分。
.jpg)
▲Neckarsulm游泳馆
施莱希采用了四边形网格划分的球壳。网格杆件承担轴力,增设拉索拉结对角节点,保证四边形网格的稳定性。
.jpg)
.jpg)
▲屋顶节点
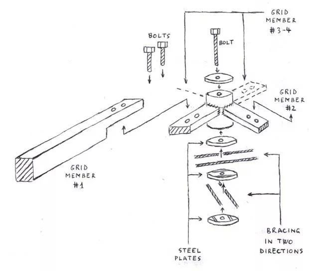
为了运输和安装的方便,所有的杆件被设计成了1m的标准长度,在节点处由螺栓连接。
为了保证球面的光顺,杆件不能太刚,需要可以微小地弯曲和扭转。但也不能太柔,否则无法承受荷载。最终,杆件的截面确定为6cmx4cm。
.jpg)
▲施工过程
拉索被安排在杆件形成网格壳体以后张拉。经过试验和计算分析,可以看到,增加拉索后结构的变形大大减小。
.jpg)
▲试验结果
施莱希对上这个工程并不十分满意,觉得建筑跟结构结合地很生硬。他认为这种网壳体系可以适应任何形状。很快他的下一个机会来了。
.jpg)
▲汉堡博物馆中庭的建筑师草图
汉堡博物馆中庭要加建一个顶棚。中庭平面呈L形,一端宽度14m、一端宽度17m。
这个项目有两个主要诉求。首先,该项目资金来自私人捐赠,预算有限;其次,博物馆方面希望屋顶对原有建筑尽量少地产生影响。所以,屋面需要尽可能地轻、少用材料,同时看上去要轻盈。
.jpg)
▲中庭加建的屋面
屋面结构在L形的两部分采用了单曲的筒壳,交汇处采用了双曲壳体。壳体采用四边形网格划分,这样的网格划分形式可以看作一榀榀拱排列着,拱之间用纵向用杆件联系。
.jpg)
▲中庭屋面的平面和三维图
可以想见,各榀拱之间几乎没有共同作用的能力。如下图所示,在集中力作用的a点变形很大,但相邻的b、c点则变形迅速收小。
.jpg)
▲集中力作用下屋面的变形示意图
因此,施莱希每隔一段间距,采用了拉索隔板来加强筒壳。
.png)
.jpg)
▲拉索隔板对刚度的加强
杆件通过螺栓与中间圆柱形节点相连,正交拉索连接网格的对角节点,以增加网格刚度。拉索不仅增加了刚度,也减小了杆件承受的弯矩。
.jpg)
▲网壳连接节点
网壳底部放置钢梁,将荷载尽量均匀传递到下部原有建筑上。
.jpg)
▲网壳底部节点
一类特殊网壳的发展
曼海姆多功能大厅屋顶(Roof for the Multihalle (multi-purpose hall) , Mannheim, Germany/1970–1975)
.jpg)
曼海姆多功能的形状是通过逆吊法找出来的。该结构的最大跨度约为60mx80m。如果将结构中木材的总量平摊到壳体的面积上,其高度不超过4cm。按照跨度等比例缩放的话,该厚度比鸡蛋壳还要薄。
.jpg)
施工方式如下:首先将木条铺设成水平正方形网格,网格节点处通过可调节孔用销钉不紧密地连接,以确保木条之间能发生转动。然后将网格的若干点向上顶升直到呈现出设计的形状。
.jpg)
最终形态与初始形态相比,原来的正方形网格转变为菱形。同时,单根5cmx5cm木条刚度很小,允许发生足够大的弯曲变形。在达到设计形状后,需要修整外壳的边缘;并且在菱形网格中增设交叉拉索,使柔软的网格成为坚固的结构。
.jpg)
▲曼海姆大厅施工中
.jpg)
▲曼海姆大厅完成后
2000年,奥托和与坂茂合作了汉诺威世博会日本馆,采用了与曼海姆大厅类似的网壳结构,只是屋面网格的木材换成了纸卷。
.jpg)
2002年,在英国星格尔顿建造了Downland Museum。采用的也是类似的施工方式。
.jpg)
Downland Museum施工过程
.jpg)
Downland Museum的节点
2011年,Soliday forum Cafe,Paris采用了GFRP来建造。杆件直径42mm、壁厚3.5mm的GFRP管现在地上铺设好,随后仅用两台吊车几天就搞定了。
%20(1).jpg)
.jpg)
Soliday forum cafe
.jpg)
▲Steel gridshell over the courtyard of theNational Maritime Museum, Amsterdam, 2011
.jpg)
▲Mineral spas in Stuttgart
.jpg)
▲Psychosomatic Clinic Bad Neustadt
.jpg)
▲Glass roof for DZ-bank 1998
.jpg)
▲The double-layer gridshell with external bracing of the Chiddingstone Orangery in Kent, UK, 2007